加油站液位計是根據浮力原理和磁性耦合作用研制而成。當被測容器中的液位升降時,液位計本體管中的磁性浮子也隨之升降,浮子內的**磁鋼通過磁耦合傳遞到磁翻柱指示器,驅動紅、白翻柱翻轉180°,當液位上升時翻柱由白色轉變為紅色,當液位下降時翻柱由紅色轉變為白色,指示器的紅白交界處為容器內部液位的實際高度,從而實現液位清晰的指示。
特點
● 結構非常簡單、堅固可靠、持久耐用、幾乎無需維護,可在戶外長期使用;
● 磁翻板與測量筒內的磁浮子及介質、磁性報警開關是互相隔離的;
● 工作壓力:真空~42MPa,密度*低可達0.459cm3;
● 工作溫度:-190~+425℃;
● 不受被測介質物理和化學狀態的影響。如:介質的導電率、介電常數、泡沫、壓力、溫度、蒸發、沸騰、氣泡等影響。**用于各種強弱腐蝕、易燃易爆、毒性、強放射性、攪動的、污濁的液面和界面測量;
● 可選配單刀單擲(SPST)、單刀雙擲(SPDT)型無源雙穩態磁性開關,實現高低液面、界面控制或報警。磁性開關數量不受限制;
● 可選配干簧管液位傳感器、磁致伸縮液位傳感器、電容式二線制液位傳感器,輸出4-20mADC(或帶HART協議)信號,實現遠距離集中測量與控制;
● 二線制液位傳感器可帶LED數碼顯示便于夜間觀測;
磁翻板液位計結構:
?。?)磁翻板液位計是以磁浮子為測量元件,磁鋼驅動翻柱顯示,無需能源。適用于低溫到高溫、真空到高壓等各種環境。是石油、化工等工業部門的理想液位測量產品。配置上、下限開關輸出,可實現遠距離報警、限位控制。配置變送器,可實現液位的遠距離指示、檢測與控制。
?。?)根據在容器安裝位置的不同,提供側裝和頂裝兩種形式。
(3)根據工作介質不同,提供不銹鋼和ABS工程塑料兩種材質;其中ABS特別適用于酸、堿等腐蝕性介質。

加油站液位計選型要點:
?。?)高溫不退磁:采用高磁性的磁鐵材質。
?。?)高壓加界位:高壓不可怕,加厚浮球或浮球內加支架即可。但界位要求浮球很輕,這樣就不容易做成高壓的,往往里面用支架,浮球做的較長,還要保持精度。
?。?)強腐蝕加高溫或高壓:強腐蝕一般金屬浮球襯塑、或者干脆用非金屬外殼的浮球。但加上高溫或高壓就難了。
主要技術參數
1、基本型液位計
(1)安裝中心距:L=500~600mm范圍內任意選擇
(2)指示誤差:±10mm
(3)工作壓力:1.6,2.5,4.0,6.3,10.0MPa
(4)介質溫度:-80~300℃
(5)介質密度:≥0.45g/cm3
(6)介質粘度:≤1St(10-4m2/s)
(7)接液材質:1Cr18Ni9Ti.304.316.Ti
(8)連接法蘭:法蘭通徑DN20
法蘭標準:PN1.6:HG20592~20635-97
PN2.5,4.0:HG20592~20635-97凸面
PN6.3,10.0:HG20592~20635-97凸面
注:法蘭標準和通徑,設計部門和用戶根據需要也可選用其他標準和通徑,訂貨時請注明。如無特殊需要,將按上述標準和通徑供貨。
(9)安裝方式:側裝式
(10)儀表重量:見下表
安裝中心距 | 500 | 中心距每增加100mm | 6000 | |
重量(kg) | 基本型 | 12 | 重量遞減1.2kg | 78 |
夾套型 | 15 | 重量遞增1.5kg | 97.5 | |
結構及工作原理
1、基本型
根據浮力原理,浮子在測量管內隨液位的升降而上、下移動,浮子內的**磁鋼通過耦合作用,驅動紅、白色翻柱翻轉180°,液位上升時翻柱由白色轉為紅色,下降時由紅色轉為白色,從而實現液位指示。
2、電遠傳
在浮子液位計上安裝變送器,通過浮子上下移動,經磁耦合作用使導桿內測量元件依次動作,獲得電阻信號變化,轉換成0~10mA或4~20mA的標準信號輸出,與顯示儀表或計算機連接,達到遠傳目的。
3、上下限開關輸出
在液位計立管上由用戶設定上、下限位置安裝控制器,控制器內帶有自保持作用的舌簧開關,利用磁性浮子隨液位移動使簧片開關動作時,實現報警或限位控制。

加油站液位計系統構成及接線
1、上下限開關輸出
由具有自保持作用的舌簧開關和轉換器組成,舌簧開關和轉換器分別安裝于現場和控制室,由轉換器提供三對觸點開關。
2、電遠傳
由測量單元和變送單元兩部分組成。
3、本安防爆
a 帶本安防爆,上、下限開關輸出型
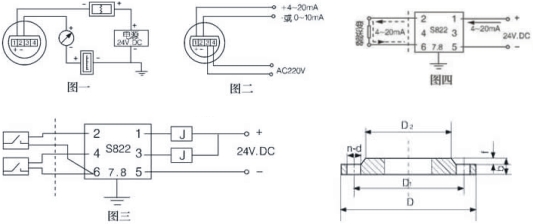
防爆開關由舌簧開關和帶繼電器觸點的安全柵組成,可向用戶直接提供一對常開或常閉觸點。如用戶需更多觸點可特殊設計訂貨。(圖三)
b 帶本安防爆遠傳型
適合使用于∏類電氣設備(工廠用)、C級氣體,*高表面溫度組別T4(135℃)。(圖四)
c 使用注意事項
①變送器外殼設有外接地,用戶使用時必須可靠接地。
②安全柵的使用應遵守有關使用說明內容。
③變送器與安全柵本安端的連接電纜為二芯屏蔽電纜,芯線截面積>0.5m,電纜允許分布電容為0.8μF。

加油站液位計選型:
| XT-UHZ- | 磁翻板液位計 | ||||||||
| 安裝方式 | C | 側裝式 | |||||||
| D | 頂裝式 | ||||||||
| 主體材質 | 1 | 304不銹鋼 | |||||||
| 2 | 316L不銹鋼 | ||||||||
| 3 | 聚四氟乙烯襯里 | ||||||||
| 4 | 其它 | ||||||||
| 壓力 | 工作壓力實際值(單位:MPa) | ||||||||
| 輸出類型 | 1 | 基本型 | |||||||
| 2 | 帶上、下限開關輸出 | ||||||||
| 3 | 帶電遠傳(4~20mA輸出,24V,AC) | ||||||||
| 4 | 帶防爆型遠傳(4~20mA輸出,24V,AC) | ||||||||
| 5 | 帶HART協議型(4~20mA輸出,24V,AC) | ||||||||
| 法蘭標準 | S1:DN20 PN1.6MP a HG25902-97 | ||||||||
| S2:DN25 PN1.6MP a HG25902-97(Sn:實際現場需求) | |||||||||
| 測量范圍 0-6000mm | |||||||||
| 排污閥 | A:321 | ||||||||
| B:304(常用) | |||||||||
| C:316 | |||||||||
| D:PVC | |||||||||
| E:304襯四氟(防腐常用) | |||||||||
| 防爆等級 | 普通型 | ||||||||
| X:本安型ExibBT4 | |||||||||
| 工作溫度℃ | XX | ||||||||




